光伏发电是利用太阳能和半导体电子器件有效地吸收太阳光辐射能,并使之转变成电能的直接发电方式,是当下流行的太阳能发电方式。而在光伏发电系统中,为了减少太阳能光伏电池阵列与逆变器之间的连线,可以将一定数量、规格相同的光伏电池串联起来,组成一个个光伏串列,然后再将若干个光伏串列并联接入光伏汇流箱,在光伏汇流箱内汇流后,通过直流断路器输出,与光伏逆变器配套使用从而构成完整的光伏发电系统,实现与市电并网。

当下的光伏运营者面临着多重困扰
面积太大,人工巡检效率低;
地处偏远,人力资源成本高;
故障隐蔽,普通巡检难定位;
运维困难,标准缺失不智能。
对此,广州同聚成专门面向光伏运营企业开发了SCB300智慧光伏汇流运维解决方案,软件+硬件,前端+云端的高效运营维护解决方案。

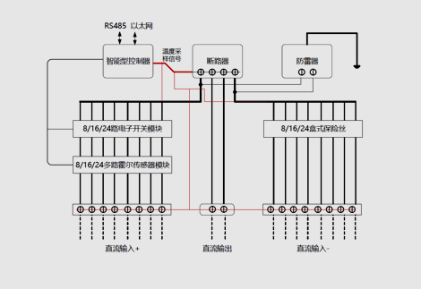
前端光伏汇流箱功能
除具备传统汇流箱汇流防雷功能的同时,还采集监测:
光电池板运行状态
每路电流状态
每路电压状态
功率状态
防雷器状态
直流断路器状态
风速、温湿度、辐照仪(可选)
内置自动灭火装置
标配RS485接口

智慧光伏电站运维系统的价值
(1)现场IT设备维护人员可减少1/2
(2)现场光伏设备维护人员配置可减少1/2
(3)光伏电站的维护工作效率提升30%
(4)明显提高光伏电站的发电效益
(5)生产安全系数大幅提升

系统独特优势
完全自主可控:产品自主研发,自有知识产权。完全自主可控,安全可靠。
准确定位故障:系统可以准确定位故障,报告故障发生的地点、设备以及故障原因,通知相关人员处置。
智能灭火装置:杆内温度超过110度,智能灭火装置启动,自动灭火。消除火灾隐患。
多级网格管理:系统可实现多级管理,分级管控。
灵活弹性扩容:强大的接入能力以及扁平化的架构,灵活地将所需接入的IP设备、物联网设备以及各种数据系统接入,在网管中心处理和呈现。
AI大数据功能:根据边缘节点接入的海量数据,根据特定模型分析,可对运维事件做出预测分析,将事后管理变为事中管理甚至事前管理,提高运维效率水平,降低运维成本。

广州同聚成的光伏发电智慧运维系统高度集成化、功能模块化的设计,故障率低,可靠性高,轻松帮助光伏企业解决运营难题。